- Пн-Пт 10:30-20:00 чвыходные 11:00-18:00 ч
- +7 (911) 925-21-12
- СПб, пр. Энгельса, д.71
- Наш адрес -
- СПб, пр. Энгельса, д.71 -
- Карта проезда
- Пн-Пт 10:30-20:00 чвыходные 11:00-18:00 ч
Каминная топка Spartherm Mini S 4S из стали толщиной 4/5 мм с антикоррозийным покрытием. Дверца с керамическим прямоугольным стеклом, которая открывается вбок. Шамотный кирпич внутри топки увеличивает температуру в топке, накапливает это тепло во время работы топки, и длительное время излучает его после окончания процесса горения.
В топке имеется система длительного горения и система чистого стекла. Имеется возможность для подвода дополнительного воздуха из других помещений или улицы для процесса горения, что сводит к минимуму выжигание кислорода в помещении во время работы камина.
Компоненты топки Mini S 4S изготавливаются из прочной котловой стали с антикоррозийным покрытием. Модель оборудована системой очистки стекла, которая позволяет реже чистить его поверхность и дольше наслаждаться великолепным обзором прихотливой игры огня.
Топка проходит индивидуальное тестирование и снабжается всеми необходимыми сертификатами. Гарантия пять лет, срок службы одно поколение!
Варианты исполнения:
| Spartherm Mini S 4S «Стандарт» |
| Spartherm Mini S 4S «Авангард» |
| Spartherm Mini S 4S «Элеганс» |
| Spartherm Mini S 4S «Шлифованная сталь» |
Отличительные особенности топки Mini S 4S:возможность работы в режиме non-stop,система «двойного сгорания» - современная технология, позволяющая полностью утилизировать все продукты горения,гибкий воздуховод, подающий воздух для горения из внешней среды.Функциональные особенности топки Mini S 4S:Регулировка интенсивности горения,Возможность установки дополнительной модулярной конвекции для улучшенного распределения нагретого воздуха по помещениям,Опциональная комплектация дополнительной задней дверцей для закладки дров из подсобного помещения.Spartherm - качество во всем! Видео о топках Spartherm.
| Топливо | Дрова |
| Форма стекла | Прямое |
| Материал топки | Сталь |
| Водяной контур | Нет |
| Футеровка | Керамика |
| Подъемная дверца | Нет |
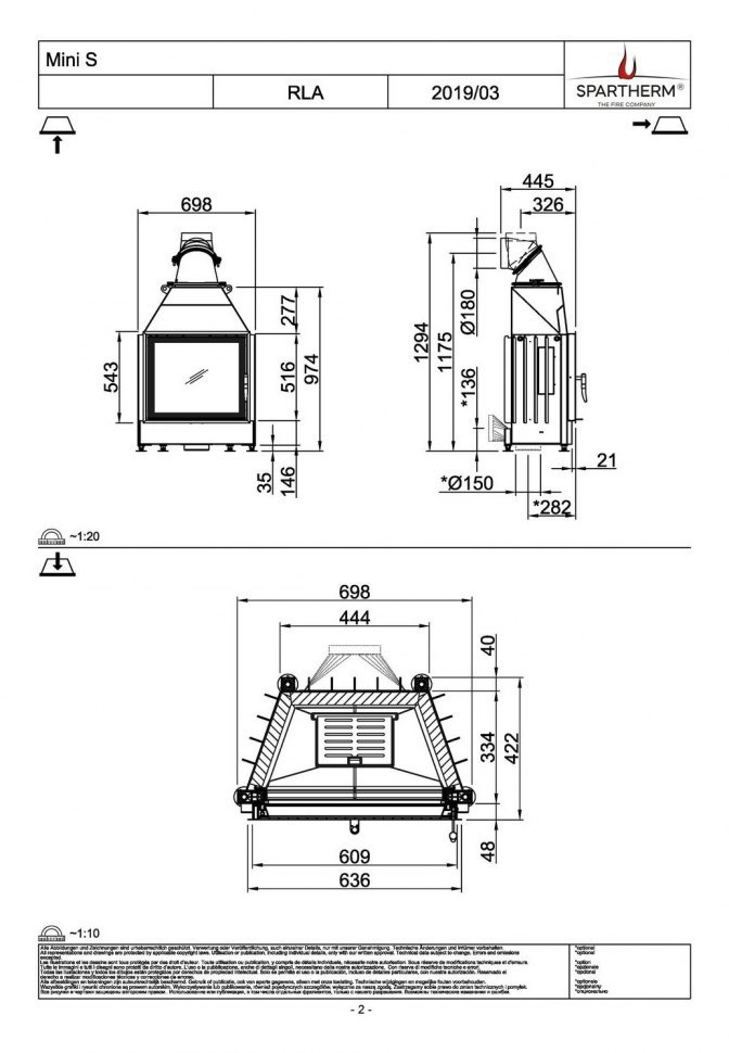
| Ширина фасада топки (мм) | 604 |
| Высота фасада топки (мм) | 510 |
| Шибер | Нет |
| Колосник | Есть |
| Зольник | Есть |
| Мощность (кВт) | 7 |
| КПД (%) | 78.1 |
| Диаметр (мм) | 180 |
| Высота (мм) | 1176 |
| Ширина (мм) | 698 |
| Глубина (мм) | 422 |
| Вес | 205 кг |
| Бренд | Spartherm (Германия) |
Загрузка данных авторизации